展位的搭建是為了成功舉辦展會,也可以讓公司的形象為客戶所知,展臺設計的多樣性也暴露了展臺搭建過程中的各種安全問題,各展館和辦展機構對展位建設的要求越來越嚴格,展臺搭建中材料要求有哪些?
展臺搭建高度
1、展臺高度
展臺單層搭建的高度要求一般為4~6m(其中超過4~4.5m的展位需要專業的機構進行展位結構審核),雙層為6~8.5,多數都是6m(所有雙層必須經過專業的審核機構進行安全結構測算),其垂直投影不得超出自己的展位范圍。審核機構要求:圖紙加蓋具有國家建筑設計資質或國家一級注冊結構工程師的印章及審核報告,有些展會需主辦方指定的機構審圖。
2、阻燃性能
展臺搭建材料的阻燃性能等級不得低于 B1 級(難燃型),不得大面積使用草、紙、樹皮、可燃性塑料板、彈力布、網眼布等易燃材料,對于少量局部使用的可燃材料應當進行防火處理,達到 B1 級要求后方可使用。布展/展會/撤展期間地面鋪設的地毯阻燃性能等級不得低于 B1 級(難燃型)。
展臺阻燃性能
3、二層結構
對于有天花或者搭建二層的展位,整個二層的搭建面積不得超過整個展位的一半(具體要求見相應展會的展商手冊),封頂面積不得大于展位的三分之一,并配備相應數量的滅火器,建議每15平米安裝一個懸掛式滅火器。
4、展墻厚度
為了確保展位墻體的搭建,展墻與地面的接觸面積也就是展板的厚度不得小于10cm,其中無其他連接結構的獨立板墻不得小于40cm厚。
5、楣板結構
對于有楣板結構的展位,整個頂部的結構不得超過6m跨度,桁架結構不得超過10m跨度,頂部有橫梁連接的結構,連接部位必須采用鋼結構進行連接;楣板支撐結構必須是鋼結構立柱或立柱以上強度的支撐材料,鋼結構立柱應使用直徑 100mm 以上的無縫鋼管,底部焊接底盤,上部焊接法蘭盤以增加連接點接觸面 積,以保證展臺結構的牢固性。
展臺結構
6、玻璃材料
使用玻璃材料裝飾展臺,必須采用鋼化玻璃,要保證玻璃的強度、厚度(幕墻玻璃厚度不小于 8mm), 玻璃的安裝方式應合理、可靠,必須制作金屬框架或采用專業五金件進行玻璃安裝,框架及五金件與玻璃材料之間要使用彈性材料做墊層,確保玻璃使用安全。大面積玻璃材料應粘貼明顯標識,以防破 碎傷人。
7、電、燃氣設備
電氣設備、線路和燃氣設備、管道的敷設應由具業人員負責安裝和維修;進行電焊等具有火災危險須持證上崗并嚴格遵守消防安全操作規程。展館內嚴禁使用噴漆、電焊及電鋸。展館在布展/展會/撤展期間嚴禁煙火和動用明火;對于必須使用明火設備的展位,施工單位應嚴格執行內部動火審批制度,落實動火措施。在動用電焊的作業現場,應清除周圍及焊渣物,并設專人監督,禁止在運行中的管道和裝有易的容器進行焊接和切割,在作業后現場負責人應檢留火種及未燒盡的物品。
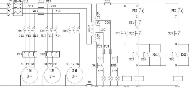
電氣線路圖
8、電氣線路
電氣線路應采用阻燃型電纜和絕緣護套電線;電線支路連接時,不應采用絕緣膠布直接包扎,應采用絕緣瓷、塑接頭連接,并做好絕緣保護措施;電氣線路的敷設應當架空固定布置,沿地鋪設的電氣線路應穿管保護或鋪設過橋保護。電氣線路的敷設應當架空固定布置,沿地鋪設的電氣線路應穿管保護或鋪設過橋保護,電氣線路的布線應當采用護套絕緣導線,導線之間應用瓷夾連接,不得直接連接。
展臺搭建的安全性直接影響著參展商,相應的硬件設備和服務設備是保證觀眾良好觀展體驗的必要條件。一場成功的展會,不僅需要專業的組展公司,還需要專業的布展團隊。
本文節選來源網絡,僅供參考,具體數據以主辦方單位提供的要求為準。

展覽展示設計在網上可以看到很多種不同解釋,尤其是在展會設計、展覽設計、展廳設計等,不同名詞有著不同的解釋,其意義是不同的,展示設計以「展示具」為標的物的設計,更廣泛的說,是以「說明」、「展示具」、「燈光」為間接的標的物,來烘托出「展示物」這個主角的一種設計。換句話說,展示設計的標的物具有配角的性格。展示設計從范圍上可以大到博覽會場、博物館、美術館,中到商場、賣場、臨時慶典會場,小到櫥窗及展示柜臺(樣品柜),不過都以具說服力的展示為主要概念。就展示設計所處理的內容而言,主要有展示物的規畫、展示主題的發展、展示具、燈光、說明、標指示及附屬空間(如大型展示空間就該包括典藏、消毒、廁所、茶水、休息等等空間)。

隨著展會大小以及規模來看,企業除了參加大型展會,也會參加小型展會,但是有些時候參展的面積大小不一,導致小型展臺以及特裝展臺的出現。有些小型展臺設計搭建都是主辦方來操作的,但是有些參展商想要屬于自己的小型展臺設計方案,那么怎么做小型展臺設計?讓自己獨一無二的展臺設計在展會上更吸引人。

參展商在參加展會的時候,看到不同樣子的展會設計,但是不管是特裝還是大型展會,都有其標準,那么展會設計有哪些標準?

汽車展臺吊頂設計是汽車展覽中非常重要的一環。一個好的吊頂設計能夠為汽車展臺增添光彩,提升品牌形象。下面,我將為大家介紹一些汽車展臺吊頂設計的注意事項。

深圳信可威在展覽行業深耕二十多年,明確知道一個成功的展臺設計搭建方案對于參展企業的重要性。它不僅是企業形象的直接體現,更是吸引觀眾、促進交流、達成合作的橋梁。針對200㎡及以上的較大展臺,設計搭建方案需更加注重空間規劃、視覺沖擊力以及功能實用性。以下是一份基于豐富經驗的綜合性建議,旨在幫助您的展臺在眾多參展者中脫穎而出。

企業參展就必須搭建個展臺,而展臺設計搭建好不好看,對企業參展有著很重要的作用,所以企業應該找到專業展臺設計公司,本網站有針對如何挑選展臺設計公司解釋,本文就展臺設計中比較有用的三個小技巧進行闡述。

展會是一次曝光的機會,企業跟主辦方協商挑選展位,展位的位置選擇直接影響參展效果,如果企業大,展出的內容多,當然要選大展位,如果企業小,內容也不多,當然要選小展位。否則,不是顯得大小不當,就是花錢不討好,空擺花架子。因此,選擇展位一定要大小適當、得體。不管是大企業還是小企業,一個好的展位位置至關重要,本為就簡單介紹幾個挑選展位的技巧:

會展是指展覽和會議,如河南文化產業博覽會、國外針織博覽會等,根據對它的了解、規劃模式、展覽需要的地方時間上的反差可以區分為整體性展覽會、針對性展覽會、世界性展覽會、國外性展覽會,會展設計需要綜合考慮,綜合設計。一場成功的展會,不僅需要專業的組展公司,還需要專業的布展團隊,那會展設計需要遵循哪些原則?本文根據網絡節選整理,為大家提供參考。

展臺設計最終的目的是為了讓企業在展會中脫穎而出,宣傳企業產品和形象的同時,吸引潛在客戶,但是大部分沒有挑選好專業的展臺設計公司,沒有注意到小的細節,最好導致的結果,不如別家的設計好,別家的展臺吸引人,那么,展臺設計中有哪些需要注意的小細節呢?